Как сделать инверторы (преобразователи) 12-220 В - «Электрика»
Чтобы подключить к бортовой электросистеме автомобиля бытовые устройства требуется инвертор, который сможет повысить напряжение с 12 В до 220 В. На полках магазинов они имеются в достаточном количестве, но не радует их цена. Для тех, кто немного знаком с электротехникой есть возможность собрать преобразователь напряжения 12 220 вольт своими руками. Две простые схемы мы разберем.
Содержание статьи
- 1 Преобразователи и их типы
- 2 Импульсный преобразователь 12-220В на 300 Вт
- 3 Инвертор на микросхеме
- 4 Инвертор с чистым синусом а выходе
Преобразователи и их типы
Есть три типа преобразователей 12-220 В. Первый — из 12 В получают 220 В. Такие инверторы популярный у автомобилистов: через них можно подключать стандартные устройства — телевизоры, пылесосы и т.д. Обратное преобразование — из 220 В в 12 — требуется нечасто, обычно в помещениях с тяжелыми условиями эксплуатации (повышенная влажность) для обеспечения электробезопасности. Например, в парилках, бассейнах или ванных. Чтобы не рисковать, стандартное напряжение в 220 В понижают до 12, используя соответствующее оборудование.
Преобразователи напряжения есть в достаточном количестве в магазинах
Третий вариант — это, скорее, стабилизатор на базе двух преобразователей. Сначала стандартные 220 В преобразуются в 12 В, затем обратно в 220 В. Такое двойное преобразование позволяет иметь на выходе идеальную синусоиду. Такие устройства необходимы для нормальной работы большинства бытовой техники с электронным управлением. Во всяком случае, при установке газового котла настоятельно советуют запитать его именно через такой преобразователь — его электроника очень чувствительная к качеству питания, а замена платы управления стоит примерно как половина котла.
Импульсный преобразователь 12-220В на 300 Вт
Эта схема проста, детали доступны, большинство из них можно извлечь из блока питания для компьютера или купить в любом радиотехническом магазине. Достоинство схемы — простота реализации, недостаток — неидеальная синусоида на выходе и частота выше стандартных 50 Гц. То есть, к данному преобразователю нельзя подключать устройства, требовательные к электропитанию. К выходу напрямую можно подключать не особ чувствительные приборы — лампы накаливания, утюг, паяльник, зарядку от телефона и т.п.
Представленная схема в нормальном режиме выдает 1,5 А или тянет нагрузку 300 Вт, по максимуму — 2,5 А, но в таком режиме будут ощутимо греться транзисторы.
Преобразователь напряжения 12 220 В: схема преобразователя на основе ШИМ-контролллера
Построена схема на популярном ШИМ-контроллере TLT494. Полевые транзисторы Q1 Q2 надо размещать на радиаторах, желательно — раздельных. При установке на одном радиаторе, под транзисторы уложить изолирующую прокладку. Вместо указанных на схеме IRFZ244 можно использовать близкие по характеристикам IRFZ46 или RFZ48.
Частота в данном преобразователе 12 В в 220 В задается резистором R1 и конденсатором C2. Номиналы могут немного отличаться от указанных на схеме. Если у вас есть старый нерабочий беспербойник для компьютера, а в нем — рабочий выходной трансформатор, в схему можно поставить его. Если трансформатор нерабочий, из него извлечь ферритовое кольцо и намотать обмотки медным проводом диаметром 0,6 мм. Сначала мотается первичная обмотка — 10 витков с выводом от середины, затем, поверх — 80 витков вторичной.
Как уже говорили, такой преобразователь напряжения 12-220 В может работать только с нагрузкой, нечувствительной к качеству питания. Чтобы была возможность подключать более требовательные устройства, на выходе устанавливают выпрямитель, на выходе которого напряжение близко к нормальному (схема ниже).
Для улучшения выходных характеристик добавляют выпрямитель
В схеме указаны высокочастотные диоды типа HER307, но их можно заменить на серии FR207 или FR107. Емкости желательно подобрать указанной величины.
Инвертор на микросхеме
Этот преобразователь напряжения 12 220 В собирается на основе специализированной микросхемы КР1211ЕУ1. Это генератор импульсов, которые снимаются с выходов 6 и 4. Импульсы противофазные, между ними небольшой временной промежуток — для исключения одновременного открытия обоих ключей. Питается микросхема напряжением 9,5 В, который задается параметрическим стабилизатором на стабилитроне Д814В.
Также в схеме присутствуют два полевых транзистора повышенной мощности — IRL2505 (VT1 и VT2). Они имеют очень низкое сопротивление открытого выходного канала — около 0,008 Ом, что сравнимо с сопротивлением механического ключа. Допустимый постоянный ток — до 104 А, импульсный — до 360 А. Подобные характеристики реально позволяют получить 220 В при нагрузке до 400 Вт. Устанавливать транзисторы необходимо на радиаторы (при мощности до 200 Вт можно и без них).
Схема повышающего преобразователя напряжения 12-220 В
Частота импульсов зависит от параметров резистора R1 и конденсатора C1, на выходе установлен конденсатор C6 для подавления высокочастотных выбросов.
Трансформатор лучше брать готовый. В схеме он включается наоборот — низковольтная вторичная обмотка служит как первичная, а напряжение снимается с высоковольтной вторичной.
Возможные замены в элементной базе:
- Указанный в схеме стабилитрон Д814В можно заменить любым, выдающим 8-10 V. Например, КС 182, КС 191, КС 210.
- Если нет конденсаторов C4 и C5 типа К50-35 на 1000 мкФ, можно взять четыре 5000 мкФ или 4700 мкФ и включить их параллельно,
- Вместо импортного конденсатора C3 220m можно поставить отечественный любого типа на 100-500 мкФ и напряжение не ниже 10 В.
- Трансформатор — любой с мощностью от 10 W до 1000 W, но его мощность должна быть минимум в два раза выше планируемой нагрузки.
При монтаже цепей подключения трансформатора, транзисторов и подключения к источнику 12 В надо использовать провода большого сечения — ток тут может достигать высоких значений (при мощности в 400 Вт до 40 А).
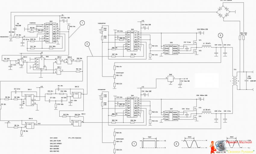
Инвертор с чистым синусом а выходе
Схемы денных преобразователей сложны даже для опытных радиолюбителей, так что сделать их своими руками совсем непросто. Пример самой простой схемы ниже.
Схема инвертора 12 200 с чистым синусом на выходе
В данном случае проще собрать подобный преобразователь из готовых плат. Как — смотрите в видео.
В следующем ролике рассказано как собирать преобразователь на 220 вольт с чистым синусом. Только входное напряжение не 12 В, а 24 В.
А в этом видео как раз рассказано, как можно менять входное напряжение, но получать на выходе требуемые 220 В.



